公司简介
企业文化
荣誉证书
公司环境
比例阀
低温泵
隔离阀
换向阀
加氢站隔离阀
截止阀
快插接头
脉冲阀
排气阀
电子膨胀阀
气体发动机喷射系统
氢喷阀组
氢喷射器总成
氢循环系统
双燃料喷射器
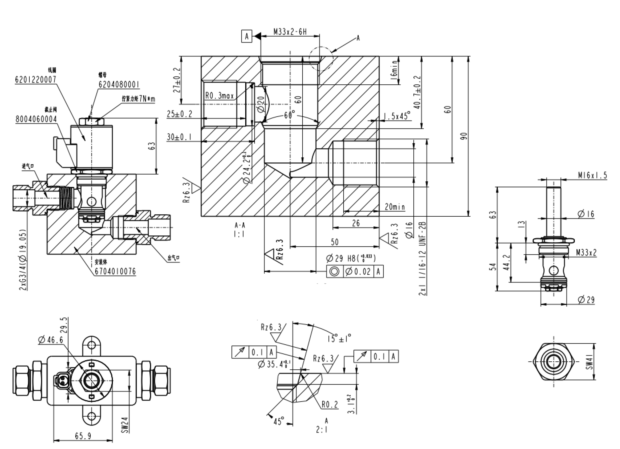
微型电磁阀
泄压阀
压力调节阀
引射器
直通卡套接头
制氢阀
90°弯通卡套接头
公司新闻
行业新闻
技术分享
应用行业:氢燃料电池,加氢站,天然气发动机,制氢设备等。
产品参数